![]() 扩大 |
用途 | 用于工厂设备配管,各种机器组装用接头 | |
|---|---|---|---|
| 材料 | 不锈钢制 | ||
| 材料详情 | 接头主体:SCS14(SUS316同级别) 锁臂:SCS14(SUS316同级别) 栓、环:SUS304 垫圈:橡胶N(NBR) *可根据流体来选择垫圈 |
||
| 规格 | |||
| 其它 |
接头的特点
| 【装卸简单】 | 采用锁臂式结构,能轻而易举地装卸接头,提高了操作性。 |
|---|---|
| 【耐腐蚀】 | 耐腐蚀,寿命长。具有良好的耐久性,对流体影响小。 |
| 【抗振能力强,使用安心】 | COUPLER型抗振能力强,锁臂采用不易脱落的结构,使用安心。 |
| *KAMLOK COUPLER 胶管接头 不锈钢制为符合RoHS2修订版标准的产品。 |
![]() |
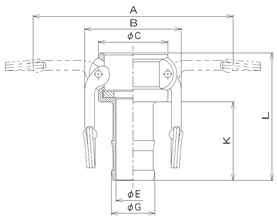
接头规格表
| 锁臂接头 | KAMLOK 不锈钢制 633-C 尺寸(mm) | |||||||
|---|---|---|---|---|---|---|---|---|
| KAMLOK COUPLER 胶管接头 不锈钢制 |
A | B | C | E | G | K | L | |
|
<p “=””>尺寸图(4英寸以下)
<p “=””>尺寸图(5英寸以上) |
1/2” | – | – | – | – | – | – | – |
| 3/4” | 116 | 54 | 41 | 14 | 21 | 51 | 94 | |
| 1” | 125 | 61 | 47 | 20 | 27 | 58 | 110 | |
| 1-1/4” | 181 | 83 | 58 | 25 | 34 | 59 | 121 | |
| 1-1/2” | 189 | 91 | 65 | 32 | 40 | 74 | 136 | |
| 2” | 199 | 101 | 75 | 43 | 52 | 87 | 157 | |
| 2-1/2” | 210 | 112 | 90 | 55 | 67 | 93 | 160 | |
| 3” | 254 | 138 | 108 | 68 | 79 | 113 | 185 | |
| 4” | 282 | 166 | 140 | 89 | 105 | 127 | 200 | |
| 5” | 307 | 191 | 165 | 114 | 134 | 127 | 189 | |
| 6” | 409 | 255 | 198 | 142 | 157 | 146 | 214 | |
| 8” | – | – | – | – | – | – | – | |
适用胶管一览
*适用压力与适用温度范围请参照适用胶管的相关规格。
| KAMLOK COUPLER 胶管接头 不锈钢制 |
适用胶管 | |||||
![]() |
TOYORON ( 耐压胶管 ) |
HYBRID TOYORON ( 耐压胶管 ) |
SUPER TOYORON ( 耐压胶管 ) |
TOYOSPRING ( 真空、压送耐压胶管 ) |
TOYORING ( 耐油、真空PVC胶管 ) |
|
| TR | HTR | ST | TS | TG | ||
![]() |
||||||
| 氯乙烯 | 氯乙烯 | 氯乙烯 | 氯乙烯 | 氯乙烯 | ||
| 内管耐油 | 内管耐油 | 耐油 | 耐油 | 耐油 | ||
| 真空 | 真空 | |||||
| 易切割 | ||||||
| 材料:不锈钢制 | ||||||
| 型号 | 适用胶管内径 | |||||
| 633-C 3/4SST | 19 | ○ | ○ | ○ | ○ | ○ |
|---|---|---|---|---|---|---|
| 633-C 1SST | 25 | ○ | ○ | ○ | ○ | ○ |
| 633-C 1 1/4SST | 32 | ○ | - | ○ | ○ | ○ |
| 633-C 1 1/2SST | 38 | ○ | - | ○ | ○ | ○ |
| 633-C 2SST | 50 | ○ | - | ○ | ○ | ○ |
| 633-C 2 1/2SST | 63 | ○ | - | ○ | ○ | - |
| 633-C 3SST | 75 | ○ | - | ○ | ○ | - |
| 633-C 4SST | 100 | - | - | - | ○ | - |
| KAMLOK COUPLER 胶管接头 不锈钢制 |
适用胶管 | ||||
![]() |
HYBRID TOYODROP ( 防结露胶管 ) |
TOYOFOODS ( 食品、耐油胶管 ) |
HYBRID TOYOFOODS ( 食品、耐油胶管 ) |
TOYOFOODS-S ( 食品、耐油胶管 ) |
|
| HTD | TFB | HTF | TFS | ||
| 氯乙烯 | 氯乙烯 | 氯乙烯 | 氯乙烯 | ||
| 防结露 | 耐油 | 耐油 | 耐油 | ||
| 耐熱 | 耐熱 | 耐熱 | |||
| 真空 | |||||
| 材料:不锈钢制 | |||||
| 型号 | 适用胶管内径 | ||||
| 633-C 3/4SST | 19 | ○ | ○ | ○ | - |
|---|---|---|---|---|---|
| 633-C 1SST | 25 | ○ | ○ | ○ | ○ |
| 633-C 1 1/4SST | 32 | - | ○ | ○ | |
| 633-C 1 1/2SST | 38 | - | ○ | ○ | |
| 633-C 2SST | 50 | - | ○ | ○ | |
| 633-C 2 1/2SST | 63 | - | - | ○ | |
| 633-C 3SST | 75 | - | - | ○ | |
| 633-C 4SST | 100 | - | - | ○ | |
| KAMLOK COUPLER 胶管接头不锈钢制 |
适用胶管 | |||||
![]() |
TOYOFOODS ( 食品、耐油胶管 ) |
TOYOFOODS-S ( 食品、耐油胶管 ) |
TOYORING-F ( 耐油、真空PVC胶管 ) |
ECORON ( 食品、药品用胶管 ) |
ECORON-S ( 食品、药品用胶管 ) |
|
| TFB | TFS | TGF | EC | ECS | ||
| 氯乙烯 | 氯乙烯 | 氯乙烯 | 聚烯烃树脂 | 聚烯烃树脂 | ||
| 食品适用 | 食品适用 | 耐油 | 室内专用 | 室内专用 | ||
| 耐熱 | 耐熱 | 耐熱 | 耐药品 | 耐药品 | ||
| 真空 | 真空 | 真空 | ||||
| 材料:不锈钢制 | 易切割 | |||||
| 型号 | 适用胶管内径 | |||||
| 633-C 3/4SST | 19 | ○ | - | ○ | ○ | - |
|---|---|---|---|---|---|---|
| 633-C 1SST | 25 | ○ | ○ | ○ | ○ | ○ |
| 633-C 1 1/4SST | 32 | ○ | ○ | ○ | ○ | ○ |
| 633-C 1 1/2SST | 38 | ○ | ○ | ○ | ○ | ○ |
| 633-C 2SST | 50 | ○ | ○ | ○ | ○ | ○ |
| 633-C 2 1/2SST | 63 | - | ○ | - | - | - |
| 633-C 3SST | 75 | - | ○ | - | - | - |
| 633-C 4SST | 100 | - | ○ | - | - | - |
| KAMLOK COUPLER 胶管接头 不锈钢制 |
适用胶管 | |||||
![]() |
TOYOFUSSO ( 耐药品、耐溶剂胶管 ) |
TOYOFUSSO-E ( 耐药品、耐溶剂胶管 ) |
TOYOFUSSO-S ( 耐药品、耐溶剂胶管 ) |
TOYOSILICONE ( 耐热、食品胶管 ) |
HYBRID TOYO SILICONE ( 耐高温、食品胶管 ) |
|
| FF | FFE | FFS | TSI | HTSI | ||
| 氟 | 氟 | 氟 | 硅橡胶制 | 硅橡胶制 | ||
| 耐药品 | 耐药品 | 耐药品 | 耐熱 | 耐熱 | ||
| 非粘附性 | 非粘附性 | 非粘附性 | 绝缘 | 绝缘 | ||
| 防静电 | 真空 | 食品适用 | 食品适用 | |||
| 材料:不锈钢制 | 真空 | |||||
| 型号 | 适用胶管内径 | |||||
| 633-C 3/4SST | 19 | ○ | ○ | ○ | ○ | ○ |
|---|---|---|---|---|---|---|
| 633-C 1SST | 25 | ○ | ○ | ○ | ○ | ○ |
| 633-C 1 1/4SST | 32 | ○ | - | ○ | ○ | ○ |
| 633-C 1 1/2SST | 38 | ○ | - | ○ | ○ | ○ |
| 633-C 2SST | 50 | ○ | - | - | ○ | - |
| 633-C 2 1/2SST | 63 | - | - | - | - | - |
| 633-C 3SST | 75 | - | - | - | - | - |
| 633-C 4SST | 100 | - | - | - | - | - |
| KAMLOK COUPLER 胶管接头 不锈钢制 |
适用胶管 | |||
![]() |
TOYOSILICONE-S ( 耐热、食品胶管 ) |
TOYOSILICONE-S2 ( 耐热、食品胶管 ) |
TOYOSILICONE-P ( 耐热、食品胶管 ) |
|
| TSIS | TSIS2 | TSIP | ||
| 硅橡胶制 | 硅橡胶制 | 硅橡胶制 | ||
| 耐熱 | 耐熱 | 耐熱 | ||
| 绝缘 | 绝缘 | 绝缘 | ||
| 食品适用 | 食品适用 | 食品适用 | ||
| 材料:不锈钢制 | 真空 | 真空 | 真空 | |
| 型号 | 适用胶管内径 | |||
| 633-C 3/4SST | 19 | ○ | ○ | ○ |
|---|---|---|---|---|
| 633-C 1SST | 25 | ○ | ○ | ○ |
| 633-C 1 1/4SST | 32 | ○ | ○ | - |
| 633-C 1 1/2SST | 38 | ○ | ○ | - |
| 633-C 2SST | 50 | ○ | ○ | - |
| 633-C 2 1/2SST | 63 | - | - | - |
| 633-C 3SST | 75 | - | - | - |
| 633-C 4SST | 100 | - | - | - |





